![]() |
||
![]() |
![]() |
|||||||||||||||||
![]() |
![]() |
![]() |
![]() |
![]() |
![]() |
![]() |
![]() |
![]() |
![]() |
![]() |
![]() |
![]() |
![]() |
![]() |
![]() |
![]() |
![]() |
![]() |
Blechprofil |
![]() |
![]() |
![]() |
BZDer Blechprofilrost «Zahn» (BZ) bietet eine hohe Rutschhemmung durch die extrem ausgeprägte Oberflächenstruktur. Daher eignet er sich besonders für Bereiche, in denen mit gleitfördernden Stoffen, z.B. Fetten und Ölen, gearbeitet wird. |
![]() |
![]() |
![]() |
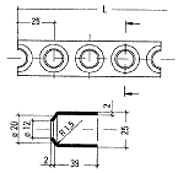
BPDer Blechprofilrost «Parallel» (BP) besticht durch die elegante Optik. Ruhige Linienführung und hohe Tragfähigkeit empfehlen ihn für grossflächige Industrieanlagen. |
![]() |
![]() |
![]() |
BP-ÜDer Blechprofilrost «Parallel Überhöht» (BP-Ü) überzeugt durch sehr gute Rutschhemmung und Tragfähigkeit. |
![]() |
![]() |
![]() |
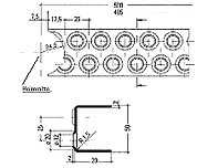
BN-ODer Blechprofilrost «Noppe Offen» (BN-O) bietet durch Ablaufbohrungen eine gute Drainage und durch die hochgedrückten Noppen eine hervorragende Standsicherheit. |
![]() |
![]() |
![]() |
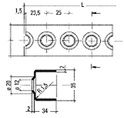
BN-GDer Blechprofilrost «Noppe Geschlossen» (BN-G) findet immer dort Anwendung, wo eine geschlossene Oberfläche gewünscht wird, aber eine sichere Begehbarkeit gewährleistet sein muss. |
![]() |
![]() |
![]() |
BRDer Blechprofilrost «Raute» (BR) eignet sich besonders für Bereiche, in denen höhere Einzellasten auf kleinen Aufstandsflächen vorkommen (z.B. PKW befahrbar). |
![]() |
![]() |
|||
Blechprofilrosttyp | Abmessungen mm |
Mass d mm |
|
BN-O/BN-G | 240/50/2.0 | 600 x 240 | 120 |
BN-O/BN-G | 240/75/2.0 | 800 x 240 | 120 |
BN-O/BN-G | 240/75/2.0 | 1000 x 240 | 120 |
BN-O/BN-G | 240/75/2.0 | 1200 x 240 | 120 |
BN-O/BN-G | 270/50/2.5 | 600 x 270 | 150 |
BN-O/BN-G | 270/50/2.5 | 800 x 270 | 150 |
BN-O/BN-G | 270/75/2.5 | 1000 x 270 | 150 |
BN-O/BN-G | 270/75/2.5 | 1200 x 270 | 150 |
BN-O/BN-G | 300/50/2.5 | 600 x 300 | 180 |
BN-O/BN-G | 300/50/2.5 | 800 x 300 | 180 |
BN-O/BN-G | 300/75/2.5 | 1000 x 300 | 180 |
BN-O/BN-G | 300/75/2.5 | 1200 x 300 | 180 |
![]() |
![]() |
|||
BP | 300/50/2.0 | 600 x 300 | 180 |
BP | 300/50/2.0 | 800 x 300 | 180 |
BP | 300/75/2.5 | 1000 x 300 | 180 |
BP | 300/75/2.5 | 1200 x 300 | 180 |
![]() |
![]() |
|||
BZ | 240/50/2.0 | 600 x 240 | 120 |
BZ | 240/75/2.0 | 800 x 240 | 120 |
BZ | 240/75/2.0 | 1000 x 240 | 120 |
BZ | 240/75/2.0 | 1200 x 240 | 120 |
BZ | 270/50/2.5 | 600 x 270 | 150 |
BZ | 270/50/2.5 | 800 x 270 | 150 |
BZ | 270/75/2.5 | 1000 x 270 | 150 |
BZ | 270/75/2.5 | 1200 x 270 | 150 |
BZ | 300/50/2.5 | 600 x 300 | 180 |
BZ | 300/50/2.5 | 800 x 300 | 180 |
BZ | 300/75/2.5 | 1000 x 300 | 180 |
BZ | 300/75/2.5 | 1200 x 300 | 180 |
![]() |
![]() |
![]() |
|
|||||||||||||||
![]() |
![]() |
![]() |
|
|||||||||||||||
![]() |
![]() |
![]() |
|
|||||||||||||||||||||
![]() |
|||||||||||||||||||||||
![]() |
Lagerstufen |
![]() |
![]() |
Abmessungen |
600 x 250 |
700 x 250 |
800 x 250 |
900 x 250 |
1000 x 250 |
![]() |
|||||||||||||||||||||
Ausführung | |||||||||||||||||||||
BP | |||||||||||||||||||||
![]() |
|||||||||||||||||||||
|
|||||||||||||||||||||
![]() |
|||||||||||||||||||||
Standard-Massstufen | |||||||||||||||||||||
![]() |
|||||||||||||||||||||
![]() |
![]() |
||
![]() |
||
![]() |
Rieder & Co. AG |
![]() |
![]() |